Plaque de translation V-slot
Plaque V-Slot Gantry – mouvement linéaire précis et réglage avancé
La plaque gantry V-Slot est un composant essentiel pour la création de systèmes de mouvement linéaire basés sur des profilés aluminium V-Slot. Elle permet d’obtenir un déplacement fluide, stable et précis, ce qui la rend idéale pour des applications techniques exigeantes.
Conçue pour offrir à la fois performance et flexibilité, cette plaque est largement utilisée dans les systèmes CNC, les imprimantes 3D, l’automatisation et les projets DIY.
Réglage précis grâce aux écrous excentriques
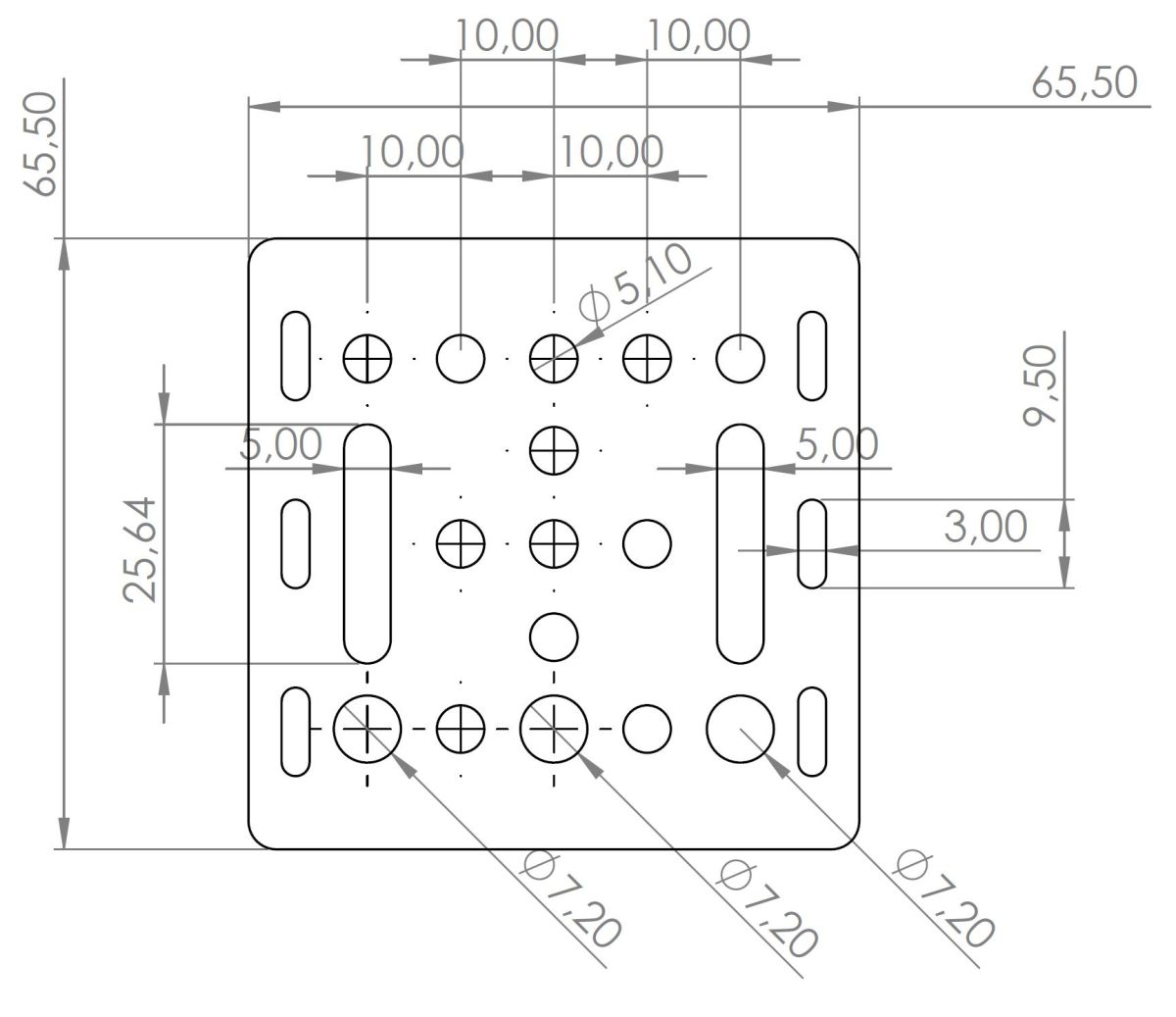
La plaque est équipée de 4 roues V-Slot et 2 écrous excentriques, permettant :
• un ajustement fin du contact entre les roues et le profil
• l’élimination des jeux mécaniques
• un mouvement silencieux et régulier
Le réglage s’effectue facilement à l’aide d’une clé de 8 mm, garantissant une mise en place rapide et précise.
Kit complet prêt à l’installation
Le produit est livré sous forme de kit complet, comprenant :
• la plaque gantry
• 4 roues V-Slot
• les éléments de fixation
Une fois monté, il suffit d’effectuer les réglages pour obtenir un système prêt à l’utilisation.
Grande flexibilité d’utilisation
La plaque permet de créer des systèmes personnalisés en y fixant :
• des profilés aluminium supplémentaires
• des courroies dentées
• des moteurs pas à pas
• des modules techniques et outils
Cette modularité offre une grande liberté dans la conception de systèmes linéaires.
Montage correct et performance optimale
Pour garantir un fonctionnement optimal, il est important de :
• régler correctement les écrous excentriques
• ajuster le contact des roues avec précision
• orienter les trous oblongs de manière non parallèle au sens de déplacement
Cela permet d’assurer une stabilité maximale et un mouvement fluide.
Applications
• machines CNC
• imprimantes 3D
• systèmes d’automatisation
• guidages linéaires
• projets techniques et DIY
Pourquoi choisir cette plaque V-Slot ?
• mouvement linéaire précis et fluide
• réglage simple et efficace
• kit complet prêt à monter
• large compatibilité avec V-Slot
• solution modulable et évolutive
La plaque V-Slot Gantry est une solution fiable pour obtenir précision, stabilité et flexibilité dans vos systèmes de mouvement linéaire.




