Profilé aluminium V-slot 2020
Aucune filetage M6
Configurez votre produit
Aucune filetage M6
Prix total par pièce
€0,00
€5,49
€6,59
Inclus 20% TVA
100+
en stock
Profilé aluminium Alux V-slot 2020 (rainure 6 mm) – Anodisé argenté (gris)
Réalisez des structures compactes et précises avec le profilé aluminium V-slot Alux 20x20. Ce profilé 2020 mesure 20 mm sur 20 mm avec quatre rainures de 6 mm, idéal pour les projets DIY, les imprimantes 3D et la petite automatisation. La rainure en V fonctionne parfaitement avec les roulettes et accessoires V-slot. Finition anodisée argentée/grise durable.
Caractéristiques principales :
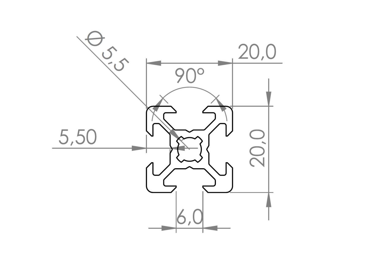
- Dimensions : 20 mm x 20 mm (largeur x hauteur) pour des châssis légers et rigides
- Largeur de rainure : 6 mm V-slot (4 par profilé) – idéal pour le mouvement linéaire et le montage modulaire
- Profondeur de rainure : 5,5 mm pour une fixation sûre et une guidage fluide
- Alésage central : Trou traversant 5,5 mm aux deux extrémités – prêt pour taraudage M6
- Finition : Aluminium anodisé argenté/gris (industriel, non peint)
- Découpe de précision : Longueurs sur mesure (tolérance : −1/+1 mm)
Compatibilité système :
- Compatible avec : BSB, BSP, B-Type, BOSCH et V-slot
- Fonctionne avec roues V-slot, accessoires et fixations
- Voir les profilés compatibles
- Idéal pour imprimantes 3D, petites CNC et graveurs laser
Spécifications techniques :
- Série de profilé : 20
- Taille de la rainure : 6 mm (tolérance −0/+0,3 mm)
- Alésage du profilé : 5,5 mm (tolérance −0,2/+0 mm)
- Finition : Aluminium anodisé argenté/gris
Pourquoi choisir Aluxprofile ?
- Grand stock & livraison rapide : 2–6 jours ouvrés en Europe
- Ingénierie de précision : Tolérances serrées, mouvement V-slot fluide
- Support expert : Équipe multilingue, emballage soigné
- Écosystème modulaire : Large compatibilité accessoires
Applications :
- Impression 3D & DIY : Cadres d’imprimantes, guidages linéaires, capotages
- Petite automatisation : Mini-portiques, manutention légère
- CNC & laser : Châssis CNC légers, graveurs laser
- Affichage & prototypage : Montages d’essai, présentoirs
Commandez votre profilé V-slot 20x20 dès aujourd’hui
Longueurs spéciales ou volumes importants ? Contactez-nous.
| Système de profilé aluminium | BOSCH, BSP, BSB, B-Type, V-slot |
| Rainure du profilé aluminium | 6 mm |
| Série de profilé aluminium | 20 mm |
| Dimensions du profilé aluminium | 20x20 mm |
| Taille de la rainure | 6 mm −0/+0,3 mm |
| Alésage du profilé aluminium | 5,5 mm −0,2/+0 mm |
| Découpe du profilé aluminium | Longueur −1/+1 mm |
| Finition de surface | Anodisé argenté/gris |
Specificaties
Numéro de l'article 2020
ean-number 6090902557584
Poids: 0,4390 kg
Type de produit
Profil
Matériel
Aluminium
Couleur
Gris argenté
Version
Anodisé
Série de profils
20
Rainure en T
6mm
Taille du profil
20x20
Produits associés
Cache pour profilé 2020
Cache pour profilé 2020
€0,24
€0,29
Inclus 20% TVA
Équerre d’angle 2020 noire
Équerre d’angle 2020 noire
€1,29
€1,55
Inclus 20% TVA
Cache pour équerre 2020L
Cache pour équerre 2020L
€0,13
€0,16
Inclus 20% TVA
Équerre d’angle 2020
Équerre d’angle 2020
€0,29
€0,35
Inclus 20% TVA
Angle en aluminium 2020
Angle en aluminium 2020
€0,59
€0,71
Inclus 20% TVA
Plaque de translation V-slot
Plaque de translation V-slot
€5,95
€7,14
Inclus 20% TVA
Connecteur 3 voies pour profilés 2020
Connecteur 3 voies pour profilés 2020
€3,49
€4,19
Inclus 20% TVA
Équerre intérieure 3 directions T6
Équerre intérieure 3 directions T6
€2,49
€2,99
Inclus 20% TVA








